Potence
Ofrecemos una solución integral de grúas y polipastos para los clientes, que se personaliza de acuerdo
con las condiciones de trabajo detalladas del cliente.
Ofrecemos una solución integral de grúas y polipastos para los clientes, que se personaliza de acuerdo
con las condiciones de trabajo detalladas del cliente.


Capacidad de elevación: 0.5-10t,
Altura de elevación: 3-12 m,
Clase trabajadora: A3.
La grúa giratoria de pilar, también llamada grúa autónoma, se utiliza mucho en interiores y exteriores. La grúa giratoria de columna proporciona mayores capacidades, tramos más largos y mayores rotaciones que la grúa giratoria montada en la pared.
La grúa giratoria de columna, también llamada grúa giratoria montada en columna, es un tipo de equipo de manejo de materiales pequeño y mediano independiente con la placa base instalada en el piso sin ningún soporte del edificio. La capacidad de elevación de la grúa pluma de pilar es de 0,5 a 10 toneladas y la clase trabajadora es A3. Las principales especificaciones de la grúa pluma de pilar se presentan a continuación:
| tipo de producto | BZ |
|---|---|
| Capacidad de levantamiento | 0.5~10t |
| Altura de elevación | 3~12m |
| Clase obrera | A3 |
| Temperatura ambiente | -25~40℃ |
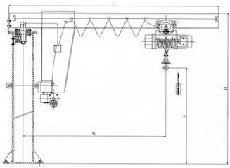
La grúa giratoria de pilar se compone principalmente de pilar superior, pilar inferior, barra de viga principal, polipasto eléctrico, mecanismo giratorio y sistema eléctrico, etc.

Dibujo de grúa giratoria de pilar
La grúa giratoria de pilar se usa ampliamente en talleres, almacenes, muelles, patios, almacenamiento y otros lugares donde se puede instalar el pilar. La grúa giratoria de columna muestra superioridad cuando se utiliza en aplicaciones de corto alcance o apretadas.
Sin embargo, está prohibido su uso en aplicaciones peligrosas donde sea inflamable, explosivo, corrosivo, etc. Además, la grúa pluma de pilar no se puede utilizar para manipular metales fundidos, materiales tóxicos, inflamables y explosivos, etc.
La grúa giratoria de pilar tiene las ventajas de una estructura única, alta seguridad, confiabilidad, alta eficiencia de trabajo, ahorro de energía y ahorro de tiempo, operación flexible, etc.
El diseño de estructura compacta hace que la grúa pluma de pilar sea liviana en peso muerto y excelente en el desempeño del trabajo, mejora la tasa de utilización del espacio y reduce la distancia de operación del gancho al máximo de manera intensa. La mejor solución de manipulación de materiales para sus aplicaciones.
El sistema de control de conversión de frecuencia continuo está instalado en la grúa y el carro, lo que hace que la grúa giratoria de pilar frene de manera estable, se ubique con precisión, funcione de manera confiable y se desplace de manera constante, se coloque rápidamente y resuelva el problema del balanceo de cargas.