LB Explosion-proof Single Girder Overhead Crane
We provide one-stop crane and hoist solution for clients, which is customized according
the client's detailed working conditions.
We provide one-stop crane and hoist solution for clients, which is customized according
the client's detailed working conditions.


The single girder overhead crane is also designed for explosion proof environment. The lifting capacity is from 1 ton to 20 tons.
Send InquiryThe explosion proof single girder crane is a small overhead crane with light lifting capacity, installed with anti-explosion electric hoist, with all the motors and electrical equipment of the explosion proof crane manufactured in line with international standards and regulations. The lifting capacity of the explosion proof single girder overhead crane is 1 to 20 tons and the working class is A3, and the specific parameters is shown in the following table:
| Product Type | LB |
|---|---|
| Lifting Capacity | 1~20t |
| Span Length | 7.5~28.5m |
| Working Class | A3 |
| Ambient Temperature | -20~40℃ |
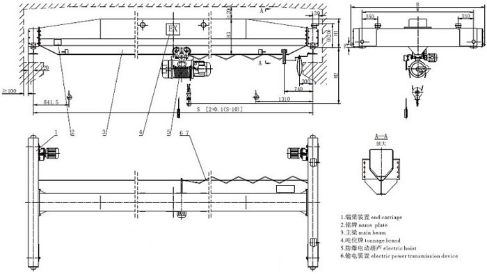
The explosion proof single girder overhead crane is mainly consisted of crane traveling mechanism, electrical system, bridge, explosion proof electric hoist, etc.

Explosion proof Single girder overhead crane diagram
The explosion-proof grade of the explosion proof single girder overhead crane is respectively Exd Ⅱ BT4 and Exd Ⅱ CT4;
The explosion proof single girder overhead crane is applied to the inside factories with the detonating ability not high Ⅱ B or Ⅱ C, and flammable mixture environment with the Ignites temperature classes of T1 ~ T4 group;
Explosion Proof single girder overhead Crane Zoning: Zone 1 & Zone 2 Hazardous Areas.
Don’t know how to choose the right crane for your hazardous environment? Contact DQCRANES NOW to find the right material handling equipment with our engineers.
1. On mechanical system
2. ON electrical system
3. On safety measures