Crane Projects
Check the crane and hoist projects supplied by DQCRANES all around the world. We also can provide the suitable crane solution for your industry.
Check the crane and hoist projects supplied by DQCRANES all around the world. We also can provide the suitable crane solution for your industry.
Mr. Rodriguez, the Managing Director of Steel Dynamics Corporation in the Philippines, recognized the need to enhance the material handling capabilities in their production facility. After thorough research, he decided to reach out to Dongqi Crane for a suitable lifting solution.
Read MoreBackground: The steel industry plays a pivotal role in manufacturing worldwide, with steel coil plants being a critical component of this sector. Efficient material handling is essential in steel coil plants to ensure smooth production processes. One such plant, located in a steel production hub, was in need of robust lifting solutions to handle heavy steel coils effectively and reached out to Dongqi Crane for assistance.Solution: Dongqi Crane, a leading manufacturer of lifting equipment, provid
Read MoreBackground: The United Arab Emirates (UAE) is known for its rapid development and thriving industrial sector, which demands efficient and advanced lifting solutions to support various industries. A major construction company in the UAE was in need of a robust and versatile lifting solution to handle heavy loads in their ambitious construction projects. They sought a crane that could provide both lifting power and precision.Solution: Dongqi Crane, a renowned provider of lifting equipment, presen
Read MoreBackground: Pakistan's industrial landscape is expanding rapidly, creating a growing demand for reliable lifting equipment that can enhance productivity and efficiency. A manufacturing company in Pakistan was seeking a robust lifting solution to handle heavy loads in their production processes. They aimed to optimize their material handling operations to meet their production targets effectively.Solution: Dongqi Crane, a reputable supplier of lifting solutions, provided an ideal response by
Read MoreBackground: Qatar, a rapidly developing country with a booming industrial sector, requires advanced lifting solutions to cater to the diverse needs of its growing industries. A construction company in Qatar was in need of a reliable and efficient lifting solution to enhance its material handling capabilities in their construction projects.Solution: Dongqi Crane, a reputable provider of lifting equipment, offered a tailored solution by providing a 2 Ton Overhead Crane for sale to the construction
Read MoreIntroduction:Dongqi Crane, a leading manufacturer of lifting equipment, has successfully provided a customized crane solution for the injection molding industry in Serbia. This case study highlights the challenges faced by the Serbian injection molding company, Dongqi Crane's tailored solution, and the positive outcomes achieved through the implementation of their advanced lifting equipment.Client Background:A prominent injection molding company based in Serbia faced significant challenges i
Read MoreIntroduction:Dongqi Crane is a renowned company with years of experience in manufacturing and selling overhead cranes. Known for its high-quality products and excellent customer service, Dongqi Crane has established a broad customer network globally. This case study will focus on Dongqi Crane's successful sale of a 5-ton overhead crane in the Canadian market.Customer Requirement:A construction company in Canada was expanding its business and needed a 5-ton overhead crane to meet the growing
Read MoreDongqi Crane, a renowned manufacturer and supplier of material handling equipment, recently undertook a project in the Philippines to provide a portable gantry crane for machinery maintenance purposes. The customer required a versatile crane solution that could efficiently handle loads of up to 7.5 tons and be easily transported and set up in various locations within their facility. In this blog post, we will explore the project requirements, the challenges faced, and the innovative solutions delivered by Dongqi Crane.
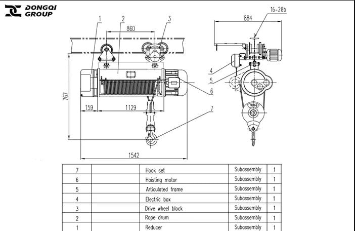
Read MoreThe wire rope hoist for sale from DQCRANES is a powerful and versatile machine that can lift heavy loads with ease. It has helped to speed up the assembly of mechanical components and has also helped to improve safety.
Read More







